Producto
-
Estación meteorológica
-
Estación meteorológica de carretera
-
Inspección fotovoltaica
-
Monitoreo atmosférico
-
Monitoreo de las condiciones de funcionamiento
Artículo recomendado
- Sistema de información meteorológica vial portátil y eficiente para sectores de tráfico
- Estructura, ventajas y aplicaciones de la estación de monitoreo de iones de oxígeno negativos
- Estación meteorológica vial: la infraestructura fundamental para la seguridad vial
- Del cumplimiento de las normas al monitoreo en tiempo real: Contador de partículas de polvo en línea Fengtu para la gestión del aire en el taller
- Estación meteorológica vial: al servicio de los sectores de seguridad pública, transporte y meteorología
- Equipos de monitoreo de polvo: Solución de monitoreo en tiempo real para la gestión de la contaminación por polvo fugitivo
Contacta con nosotros
Shandong Fengtu Compañía de tecnología IoT, Ltd.
Gerente de ventas:Sra. Emily Wang
Tel, Whatsapp:+86 15898932201
Correo:info@fengtutec.com
Dirección:Acelerador de la Industria Optoelectrónica (Fase I), n.° 155, Circuito Óptico, Zona de Alta Tecnología, ciudad de Weifang, provincia de Shandong

Sensor de amoníaco
Modelo:FT-QT10
Marca:fengtu
Productos relacionados
1、Sensor de amoníaco Parámetros técnicos
Sensor de amoníaco permite medir cualitativamente la concentración de amoníaco,Es aplicable a fugas de amoníaco en cámaras frigoríficas y al control de riesgos en la industria acuícola.
| Modelo | Parámetros de medición | Rango de medición | Precisión | Resolución | Unidad | Temperatura de funcionamiento | Humedad de trabajo |
| QT1 | Monóxido de carbono | 0-1000PPM | ±2PPM | 1PPM | PPM | -20℃-+50℃ | 10-95%RH sin condensación |
| QT1S | 0-20PPM | ≤±5% | 0.01PPM | PPM | -20℃-+50℃ | 10-95%RH sin condensación | |
| QT2 | Dióxido de sulofuro | 0-20PPM | ±1PPM | 0.1PPM | PPM | -20℃-+50℃ | 10-95%RH sin condensación |
| QT2S | 0-1PPM | ≤±5% | 0.001ppm | PPM | -20℃-+50℃ | 10-95%RH sin condensación | |
| QT3 | Dióxido de nitrógeno | 0-20PPM | ±1PPM | 0.1PPM | PPM | -20℃-+50℃ | 10-95%RH sin condensación |
| QT3S | 0-1PPM | ≤±5% | 0.001ppm | PPM | -20℃-+50℃ | 10-95%RH sin condensación | |
| QT4 | Ozono | 0-20PPM | ±1PPM | 0.1PPM | PPM | -20℃-+50℃ | 10-95%RH sin condensación |
| QT4S | 0-1PPM | ≤±5% | 0.001ppm | PPM | -20℃-+50℃ | 10-95%RH sin condensación | |
| QT5 | Contenido de oxígeno | 0~30%VOL | ±3%FS | 0.1%VOL | VOL | -20℃-+50℃ | 5-95%RH sin condensación |
| QT6 | iones de oxígeno negativos | 0 a 100,000 partículas por/cm³ | ±10% | 10 por/cm³ | Por/cm³ | +10℃-+70℃ | 10-70%RH sin condensación |
| QT7 | hidrógeno sulfuroso | 0-100PPM | ±2PPM | 1PPM | PPM | -20℃-+50℃ | 10-95%RH sin condensación |
| QT8 | Metano | 0-100%LEL | ≤±3% | 1%LEL | LEL | -20℃-+50℃ | 10-95%RH sin condensación |
| QT9 | TVOC | 0-100PPM | 55±15 nA/ppm | 1PPM | PPM | -20℃-+50℃ | 10-95%RH sin condensación |
| QT10 | Amoníaco | 0-100PPM | ±4PPM | 1PPM | PPM | -20℃-+50℃ | 10-95%RH sin condensación |
| QT11 | Nóxido monóxido | 0-250PPM | -2~10PPM | 1PPM | PPM | -20℃-+50℃ | 10-95%RH sin condensación |
| QT12 | Formaldehído | 0-10PPM | <1PPM | 0.1PPM | PPM | -20℃-+50℃ | 10-95%RH sin condensación |
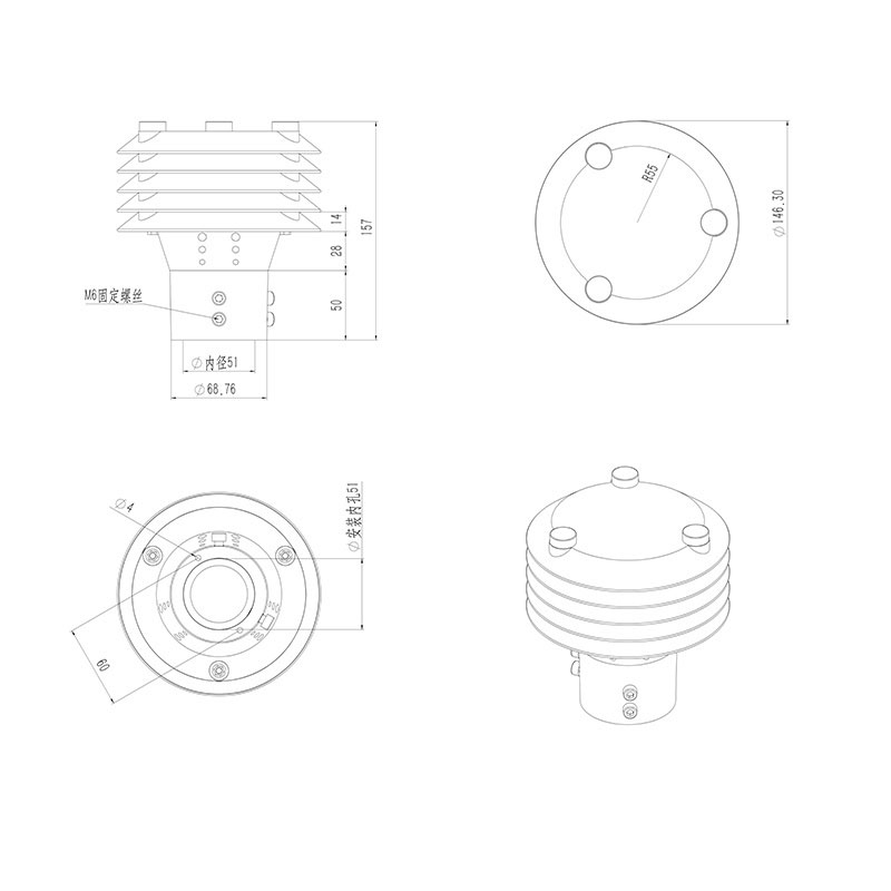
2、Sensor de amoníaco Dimensiones del producto

tiempo:2026-04-26
Artículo relacionado
-
Detectores ultrasónicos de profundidad de nieve: permiten un monitoreo preciso y continuo de la profundidad de la nieve para los sectores meteorológico y de tráfico
2025-09-25 -
Estaciones meteorológicas automáticas pequeñas, mecánicas y ultrasónicas
2025-09-25 -
Detector de polvo: transmisión de datos en tiempo real y 6 funciones clave para el control ambiental in situ
2025-09-25 -
Sistemas de monitoreo de desastres geológicos de Fengtu Technology
2025-09-25 -
Estación de monitoreo de iones de oxígeno negativos: una solución automatizada para monitorear la pureza del aire las 24 horas, los 7 días de la semana en áreas pintorescas
2025-09-25 -
El papel del georradar para abordar las necesidades de detección de infraestructuras municipales
2025-09-25 -
Por qué destaca una pequeña estación meteorológica automática: Monitoreo, configuración y practicidad
2025-09-25 -
Estación de Monitoreo de Visibilidad en Sistemas Meteorológicos de Tráfico Modernos: Funciones, Transmisión de Datos y Reducción de Accidentes de Tráfico
2025-09-25


Obtenga una cotización gratis







