Product
Recommended article
- Photovoltaic module efficiency testing equipment Provides High-Voltage, High-Power Performance Testing Solutions
- Forest Fire Detection Provides Automatic Meteorological Monitoring and Forest Fire Warning
- I-V Curve Tracer: Outdoor Measurement Equipment for Photovoltaic Module Current-Voltage Characteristic Testing
- Multifunctional weather station Technical Features and Application Fields
- EL Test Power Supply is used for batch EL defect detection and production testing of photovoltaic modules
- Ultrasonic Snow Depth Detector utilizes ultrasonic principles to achieve millimeter-level dynamic monitoring of snow thickness
Contact us
Shandong Fengtu IOT Technology Co., Ltd
Sales Manager:Ms. Emily Wang
Cel,Whatsapp,Wechat:+86 15898932201
Email:info@fengtutec.com
Add:No. 155 Optoelectronic Industry Accelerator, Gaoxin District, Weifang, Shandong, China

Hydrogen sulfide sensor
Model:FT-QT7
Brand:fengtu
Related products
1. Hydrogen sulfide sensor technical parameters
Hydrogen sulfide sensor can detect the concentration of hydrogen sulfide (H2S) with high sensitivity, high resolution and rapid response recovery.
| model | Measurement parameters | Measuring range | Accuracy | Resolution | unit | Operating temperature | Operating humidity |
| QT1 | Carbon monoxide | 0-1000PPM | ±2PPM | 1PPM | PPM | -20℃-+50℃ | 10-95%RH non-condensing |
| QT1S | 0-20PPM | ≤±5% | 0.01PPM | PPM | -20℃-+50℃ | 10-95%RH non-condensing | |
| QT2 | Sulfur dioxide | 0-20PPM | ±1PPM | 0.1PPM | PPM | -20℃-+50℃ | 10-95%RH non-condensing |
| QT2S | 0-1PPM | ≤±5% | 0.001ppm | PPM | -20℃-+50℃ | 10-95%RH non-condensing | |
| QT3 | Nitrogen dioxide | 0-20PPM | ±1PPM | 0.1PPM | PPM | -20℃-+50℃ | 10-95%RH non-condensing |
| QT3S | 0-1PPM | ≤±5% | 0.001ppm | PPM | -20℃-+50℃ | 10-95%RH non-condensing | |
| QT4 | ozone | 0-20PPM | ±1PPM | 0.1PPM | PPM | -20℃-+50℃ | 10-95%RH non-condensing |
| QT4S | 0-1PPM | ≤±5% | 0.001ppm | PPM | -20℃-+50℃ | 10-95%RH non-condensing | |
| QT5 | Oxygen content | 0~30%VOL | ±3%FS | 0.1%VOL | VOL | -20℃-+50℃ | 5-95%RH non-condensing |
| QT6 | Negative oxygen ions | 0~100,000/cm³ | ±10% | 10pcs/cm³ | Pieces/cm³ | +10℃-+70℃ | 10-70%RH without condensation |
| QT7 | Hydrogen sulfide | 0-100PPM | ±2PPM | 1PPM | PPM | -20℃-+50℃ | 10-95%RH non-condensing |
| QT8 | Methane | 0-100%LEL | ≤±3% | 1%LEL | LEL | -20℃-+50℃ | 10-95%RH non-condensing |
| QT9 | TVOC | 0-100PPM | 55±15 nA/ppm | 1PPM | PPM | -20℃-+50℃ | 10-95%RH non-condensing |
| QT10 | Ammonia | 0-100PPM | ±4PPM | 1PPM | PPM | -20℃-+50℃ | 10-95%RH non-condensing |
| QT11 | Nitric Oxide | 0-250PPM | -2~10PPM | 1PPM | PPM | -20℃-+50℃ | 10-95%RH non-condensing |
| QT12 | formaldehyde | 0-10PPM | <1PPM | 0.1PPM | PPM | -20℃-+50℃ | 10-95%RH non-condensing |
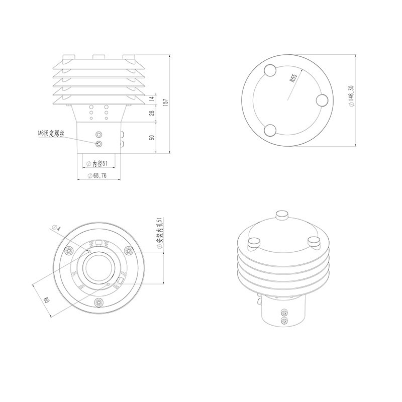
2. Hydrogen sulfide sensor product dimensions

Related article
-
Strategies for Using Dust Detectors to Avoid Penalties under Stringent Environmental Regulations
2025-06-10 -
Dust Monitoring Equipment: Guarding the Environment and Public Health against Construction Dust
2024-11-20 -
Combatting Dust Pollution: The Pivotal Role of Cruise Monitoring System
2025-01-22 -
Visibility sensor: Unlocking Precision in Atmospheric Visibility Measurement and Beyond
2024-11-25 -
Microclimate monitoring equipment for agriculture
2024-07-12 -
Road Weather Station: Precision Monitoring, Intelligent Modeling, and Timely Warnings for Highway Safety
2025-02-26 -
Detecting Deep - Buried Non - Metallic Pipelines with Ground Penetrating Radar
2025-03-05 -
Forest fire weather station, intelligent fire prevention
2024-03-20


Get a Free Quote







